| สถานะห้องว่าง: | |
|---|---|
| จำนวน: | |
DN10-3000 มม.
Ruiyang
810890
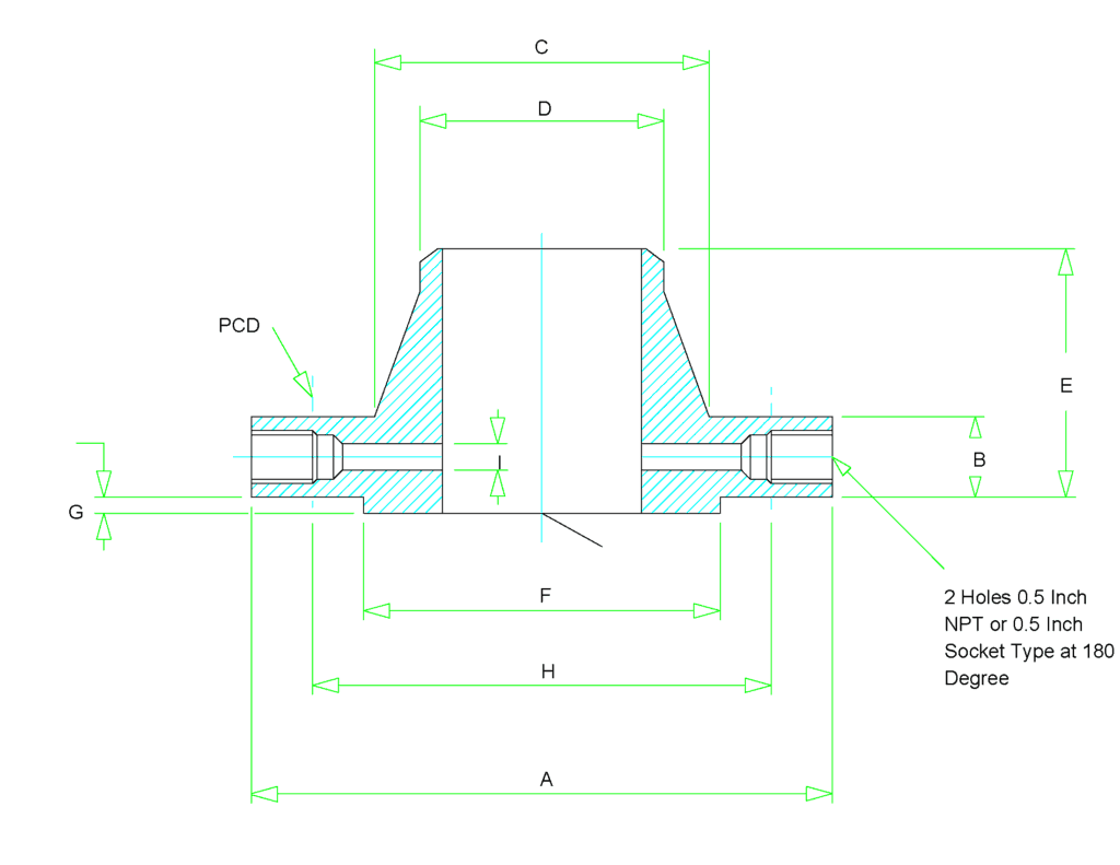
หน้าแปลนปากไทเทเนียมให้การเข้าถึงการวัดก๊าซหรือของเหลวตามปกติด้วยแผ่นปากหรือหัวฉีดไหลเพื่อจุดประสงค์ในการวัดอัตราการไหลของของเหลวหรือก๊าซในท่อที่เกี่ยวข้อง หนีบระหว่างหน้าแปลนคู่หนึ่งเมื่อติดตั้งในบรรทัดและเรียกว่าสหภาพหน้าแปลนปาก
หน้าแปลน Titanium และไทเทเนียมโลหะผสมมีให้เลือกจากคลาส #300 ถึงคลาส #2500
หน้าแปลนชั้น #300 มีให้เลือกในประเภทเกลียว, สลิปและเชื่อมคอ
ชั้นเรียน# 600 และสูงกว่ามีให้เลือกเฉพาะการเชื่อมต่อปลายคอเชื่อมเท่านั้น

| มาตรฐานหน้าแปลนไทเทเนียม | ASME ANSI B16.5, ASME ANSI B16.47 API 605, API 6L MSS SP 44 CSA Z245.12 EN1092-1, EN1759-1 DIN2565, DIN2566, DIN2567, DIN2568, DIN2569 BS1560, BS 4504, BS 10 AFNOR NF E29-200-1 ISO7005-1 AS2129 JIS B2220 Uni 2276. Uni 2277.UNI 2278 .UNI 6089 .UNI 6090 |
| Ti Orifice Flanges Size Dn | 1/2″ - 118″ (DN15 ถึง DN3000) |
| วัสดุหน้าแปลนไทเทเนียมและไทเทเนียมโลหะผสม | GR1, GR2, GR5, GR7, TI-6AL-4V และอื่น ๆ |
| แรงกดดันของหน้าแปลน ti ti | คลาส 150, คลาส 300, คลาส 600, คลาส 900A, คลาส 1500, คลาส 2500, PN2.5, PN6, PN10, PN16, PN25, PN40, PN63, PN100, PN160, PN250, PN320, PN400 |
| หน้าแปลนการปิดหน้าแปลนของหน้าแปลน Ti | ใบหน้าแบน (ff), ใบหน้ายก (RF), ลิ้น (t), ร่อง (g), ตัวเมีย (F), ชาย (M), ข้อต่อประเภทวงแหวน (RJ/RTJ) พิมพ์ A (ใบหน้าแบน), ประเภท B (ใบหน้ายก), ประเภท C (ลิ้น), ประเภท D (ร่อง), ประเภท E (Spigot), type F (recess), type G (O-Ring Spigot), Type H ( ร่องโอริง) |
| รับประกันคุณภาพของหน้าแปลนไทเทเนียม | การควบคุมกระบวนการ+การควบคุมการตรวจสอบของเส้นผ่านศูนย์กลางด้านนอกและด้านในของร่างกายวงกลมสลักเกลียวและเส้นผ่านศูนย์กลางรูโบลต์ความหนาของความยาวปลายเชื่อมของฮับความตรงและการจัดตำแหน่งของรูพรม |
ยินดีต้อนรับติดต่อเราสำหรับหน้าแปลน Titanium Orifice ที่กำหนดเอง Just Mailinfo@topqualityalloy.comเพื่อลดปัญหาของคุณ
หน้าแปลนปากไทเทเนียมให้การเข้าถึงการวัดก๊าซหรือของเหลวตามปกติด้วยแผ่นปากหรือหัวฉีดไหลเพื่อจุดประสงค์ในการวัดอัตราการไหลของของเหลวหรือก๊าซในท่อที่เกี่ยวข้อง หนีบระหว่างหน้าแปลนคู่หนึ่งเมื่อติดตั้งในบรรทัดและเรียกว่าสหภาพหน้าแปลนปาก
หน้าแปลน Titanium และไทเทเนียมโลหะผสมมีให้เลือกจากคลาส #300 ถึงคลาส #2500
หน้าแปลนชั้น #300 มีให้เลือกในประเภทเกลียว, สลิปและเชื่อมคอ
ชั้นเรียน# 600 และสูงกว่ามีให้เลือกเฉพาะการเชื่อมต่อปลายคอเชื่อมเท่านั้น

| มาตรฐานหน้าแปลนไทเทเนียม | ASME ANSI B16.5, ASME ANSI B16.47 API 605, API 6L MSS SP 44 CSA Z245.12 EN1092-1, EN1759-1 DIN2565, DIN2566, DIN2567, DIN2568, DIN2569 BS1560, BS 4504, BS 10 AFNOR NF E29-200-1 ISO7005-1 AS2129 JIS B2220 Uni 2276. Uni 2277.UNI 2278 .UNI 6089 .UNI 6090 |
| Ti Orifice Flanges Size Dn | 1/2″ - 118″ (DN15 ถึง DN3000) |
| วัสดุหน้าแปลนไทเทเนียมและไทเทเนียมโลหะผสม | GR1, GR2, GR5, GR7, TI-6AL-4V และอื่น ๆ |
| แรงกดดันของหน้าแปลน ti ti | คลาส 150, คลาส 300, คลาส 600, คลาส 900A, คลาส 1500, คลาส 2500, PN2.5, PN6, PN10, PN16, PN25, PN40, PN63, PN100, PN160, PN250, PN320, PN400 |
| หน้าแปลนการปิดหน้าแปลนของหน้าแปลน Ti | ใบหน้าแบน (ff), ใบหน้ายก (RF), ลิ้น (t), ร่อง (g), ตัวเมีย (F), ชาย (M), ข้อต่อประเภทวงแหวน (RJ/RTJ) พิมพ์ A (ใบหน้าแบน), ประเภท B (ใบหน้ายก), ประเภท C (ลิ้น), ประเภท D (ร่อง), ประเภท E (Spigot), type F (recess), type G (O-Ring Spigot), Type H ( ร่องโอริง) |
| รับประกันคุณภาพของหน้าแปลนไทเทเนียม | การควบคุมกระบวนการ+การควบคุมการตรวจสอบของเส้นผ่านศูนย์กลางด้านนอกและด้านในของร่างกายวงกลมสลักเกลียวและเส้นผ่านศูนย์กลางรูโบลต์ความหนาของความยาวปลายเชื่อมของฮับความตรงและการจัดตำแหน่งของรูพรม |
ยินดีต้อนรับติดต่อเราสำหรับหน้าแปลน Titanium Orifice ที่กำหนดเอง Just Mailinfo@topqualityalloy.comเพื่อลดปัญหาของคุณ
Petersy168
+86-18601515612